DATAKOM: ATS, AMF, AVR, ECM, DKG controllers for diesel, gas, petrol gensets including manual start and auto mains failure generator controls, electronic engine governors, alternator automatic voltage regulators, automatic transfer switches, battery chargers, meters and analyzers, contactors, synchroscopes and automatic synchronizers for multi generating set paralleling and mains synchronization. Buy Datacom online.

DATAKOM SMPS-243 Generator start battery charger / stabilized power supply (24V / 3A)

Datakom DATAKOM SMPS-243 Generator start battery charger / stabilized power supply (24V / 3A)
Datakom DATAKOM SMPS-243 Generator start battery charger / stabilized power supply (24V / 3A)
(0)
$0.00
pcs.

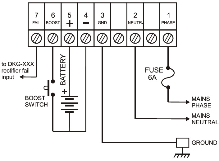
DATAKOM SMPS series are fixed output voltage, current limited lead acid battery chargers specially designed for permanent connection to genset starter batteries.  
They maintain the batteries fully charged, without overcharging or gassing. Thanks to their continuous DC outputs they may also be used in a vide range of industrial applications where DC power is required.
The chargers are designed in switchmode technology. Their rugged design allows surviving in harsh electromagnetic environments found in automotive industry.
The unit has overload and short circuit protections. The high temperature protection of the unit reduces the output current in case of overheating. The low weight of the unit makes it ideal for use in highly vibrating generator control panels. The small dimensions allow compact panel design.
The chargers are able to operate in parallel with the engine’s charge alternator and other battery chargers. Multiple units may be connected in parallel in order to obtain higher current ratings.
The wide input voltage range allows the chargers to be used in most countries.
Charger metal case is neutral isolated thus it could be powered  whether by phase-neutral or phase-phase AC voltage.


WE DO NOT SHIP THIS DATAKOM PRODUCT TO USA AND CANADA



  • Previous Generation Products
  • 4PRO Contactors and Load Transfer Switches
  • 4PRO Wireless remote control sets
  • Software and Access Licenses
DATAKOM: ATS, AMF, AVR, ECM, DKG controllers for diesel, gas, petrol gensets including manual start and auto mains failure generator controls, electronic engine governors, alternator automatic voltage regulators, automatic transfer switches, battery chargers, meters and analyzers, contactors, synchroscopes and automatic synchronizers for multi generating set paralleling and mains synchronization. Buy Datacom online.